消聲緩閉止回閥用于工業給排水、污水處理廠的水泵出口處,防止管網中介逆流。自動消除破壞性水錘,從而保證水泵和管路不受損壞。該閥主要由閥體、閥瓣、緩沖裝置和微量調節閥組成。該產品具有結構新穎、體積小、流體阻力小、運行平穩、密封可靠、耐磨損、緩沖性能好等特點,是工業用水和城巿排污的理想產品。
主要零件材料
| 零件名稱 | 閥體 | 閥瓣 | 閥桿、油缸、活塞、彈簧 | 閥座 |
| 材料 | 鑄鐵、鑄鋼 | 碳鋼 | 不銹鋼 | 丁腈橡膠 |
主要技術參數
| 型號 | 公稱壓力 | 試驗壓力 | 適用溫度 | 適用介質 | 緩閉時間 | |
| 殼體 | 密封 | |||||
|
HH46X HDH48X HH49X |
1.0 | 1.5 | 1.1 | ≤80℃ | 清水、污水、海水 | ≤60秒 |
| 1.6 | 2.4 | 1.76 | ||||
| 2.5 | 3.75 | 2.75 | ||||
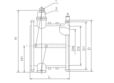
主要外形尺寸
| 公稱通徑 | 尺寸 | 公稱通徑 | 尺寸 | ||||
| L | H | H1 | L | H | H1 | ||
| 40 | 140 | 200 | 88 | 350 | 290 | 480 | 297 |
| 50 | 150 | 215 | 98 | 400 | 310 | 550 | 324 |
| 65 | 170 | 225 | 108 | 450 | 330 | 585 | 351 |
| 80 | 180 | 235 | 118 | 500 | 350 | 640 | 379 |
| 100 | 190 | 280 | 130 | 600 | 390 | 720 | 434 |
| 125 | 200 | 290 | 148 | 700 | 430 | 780 | 491 |
| 150 | 210 | 310 | 172 | 800 | 470 | 840 | 549 |
| 200 | 230 | 350 | 210 | 900 | 510 | 990 | 600 |
| 250 | 250 | 415 | 240 | 1000 | 550 | 1050 | 655 |
| 300 | 270 | 450 | 264 | 1200 | 630 | 1210 | 770 |