可曲撓橡膠軟接頭是橡膠連接件的一種,由內膠層、錦綸簾子布增強、外膠層復合的橡膠球體和松套金屬法蘭組成。具有耐壓高、彈性好、位移量大、平衡管道偏差、吸收振動、降低噪音效果好、安裝方便等特點。廣泛用于化工、建筑、給水、排水、石油、輕 重工業、冷凍、衛生、水暖、消防、電力等基礎工程。
產品特點
1、橡膠接頭可大大降低管道系統的震動和噪聲,可根本上解決各類管路的接口位移,軸向伸縮及不同心度等問題。
2、根據材料不同橡膠接頭可制成耐酸、耐堿、耐腐蝕、耐油、耐熱等各類品種,適應多種介質和環境。
3、橡膠接頭材料屬極性橡膠,密封性好,重量輕,安裝維修方便、使用壽命長,但避免與鋒利金屬器械接觸,以免刺破球體。
4、如橡膠接頭架空使用可配彈性支架,安裝時螺栓要用對角法上緊。
5、如橡膠接頭管路壓力過高時,應用極限螺栓將兩端法蘭連在一起。
主要零部件材料
|
項目 |
型號 |
KXT-1 |
KXT-2 |
KXT-3 |
|
工作壓力MPa(kgf/cm2) |
1.0(10) |
1.6(16) |
2.5(25) |
|
|
爆破壓力MPa(kgf/cm2) |
2.0(20) |
3.0(30) |
4.5(45) |
|
|
真空度KPa(mm/Hg) |
53.3(400) |
86.7(650) |
100(750) |
|
|
適用溫度℃ |
-15~+115,特殊可達-30~+250 |
|||
|
適用介質 |
空氣、壓縮空氣、水、海水、熱水、油、酸、堿等 |
|||
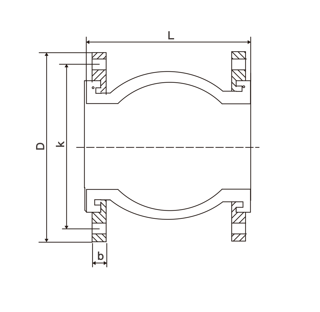
主要外形尺寸
| 公稱通徑DN |
長度 L |
法蘭厚度 b |
螺栓數量 |
螺栓孔直徑 mm |
螺栓孔中心圓直徑K mm |
軸向位移mm |
橫向位移 mm |
偏轉角度 (a1+a2) |
||
| mm | 英寸 | 伸長 | 壓縮 | |||||||
| 32 | 1.25 | 95 | 16 | 4 | 18 | 100 | 6 | 9 | 9 | 15° |
| 40 | 1.5 | 95 | 18 | 4 | 18 | 110 | 6 | 10 | 9 | 15° |
| 50 | 2 | 105 | 18 | 4 | 18 | 125 | 7 | 10 | 10 | 15° |
| 65 | 2.5 | 115 | 20 | 4 | 18 | 145 | 7 | 13 | 11 | 15° |
| 80 | 3 | 135 | 20 | 4 | 18 | 160 | 8 | 15 | 12 | 15° |
| 100 | 4 | 150 | 22 | 8 | 18 | 180 | 10 | 19 | 13 | 15° |
| 125 | 5 | 165 | 24 | 8 | 18 | 210 | 12 | 19 | 13 | 15° |
| 150 | 6 | 180 | 24 | 8 | 23 | 240 | 12 | 20 | 14 | 15° |
| 200 | 8 | 210 | 24 | 8 | 23 | 295 | 16 | 25 | 22 | 15° |
| 250 | 10 | 230 | 26 | 12 | 23 | 350 | 16 | 25 | 22 | 15° |
| 300 | 12 | 245 | 28 | 12 | 23 | 400 | 16 | 25 | 22 | 15° |
| 350 | 14 | 255 | 28 | 16 | 23 | 460 | 16 | 25 | 22 | 15° |
| 400 | 16 | 255 | 30 | 16 | 25 | 515 | 16 | 25 | 22 | 15° |
| 450 | 18 | 255 | 30 | 20 | 25 | 565 | 16 | 25 | 22 | 15° |
| 500 | 20 | 255 | 32 | 20 | 25 | 620 | 16 | 25 | 22 | 15° |
| 600 | 24 | 260 | 36 | 20 | 30 | 725 | 16 | 25 | 22 | 15° |
| 700 | 28 | 260 | 36 | 24 | 30 | 840 | 16 | 25 | 22 | 15° |
| 800 | 32 | 260 | 38 | 24 | 34 | 950 | 16 | 25 | 22 | 15° |
| 900 | 36 | 260 | 42 | 28 | 34 | 1050 | 16 | 25 | 22 | 15° |
| 1000 | 40 | 260 | 44 | 28 | 34 | 1160 | 18 | 26 | 24 | 15° |
| 1200 | 48 | 260 | 48 | 32 | 41 | 1380 | 18 | 26 | 24 | 15° |
| 1400 | 56 | 350 | 44 | 36 | 34 | 1560 | 20 | 28 | 26 | 15° |
| 1600 | 64 | 350 | 46 | 40 | 34 | 1760 | 25 | 35 | 30 | 10° |
| 1800 | 72 | 350 | 52 | 44 | 41 | 1970 | 25 | 35 | 30 | 10° |
| 2000 | 80 | 420 | 54 | 48 | 48 | 2180 | 25 | 35 | 30 | 10° |
| 2200 | 88 | 420 | 60 | 52 | - | 2390 | 25 | 35 | 30 | 10° |
| 2400 | 96 | 420 | 62 | 56 | - | 2600 | 25 | 35 | 30 | 10° |
| 2600 | 104 | 450 | 64 | 60 | - | 2810 | 25 | 35 | 30 | 10° |
| 2800 | 112 | 450 | 68 | 64 | - | 3020 | 25 | 35 | 30 | 10° |
| 3000 | 120 | 500 | 70 | 68 | - | 3220 | 25 | 35 | 30 | 10° |